○伊勢原市緊急一時保育奉仕員制度規則
昭和58年4月28日
規則第13号
(目的)
第1条 この規則は、一般家庭において保護者又は家族等の疾病、事故及び出産等、緊急、かつ、一時的に保育に欠ける児童に対し、適切な保護を図り、もって児童福祉の増進と婦人の地域社会の奉仕活動の参加を目的とする。
(2) 保護者 親権を行う者、後見人、その他の者で児童を現に保育している者をいう。
(資格)
第3条 保育奉仕員は、次の要件を満たすものとする。
(1) 市内に居住する心身健全な満25歳から55歳までの者で、児童に対し深い愛情をもつものであること。
(2) 保育士、教諭、助産師若しくは看護師の資格を有する者又は育児経験のある者
(3) 家庭環境が健全であり、保育に専念できる者であること。
(4) その他保育上不適な事由がないこと。
(平11規則17・平14規則1・一部改正)
(登録)
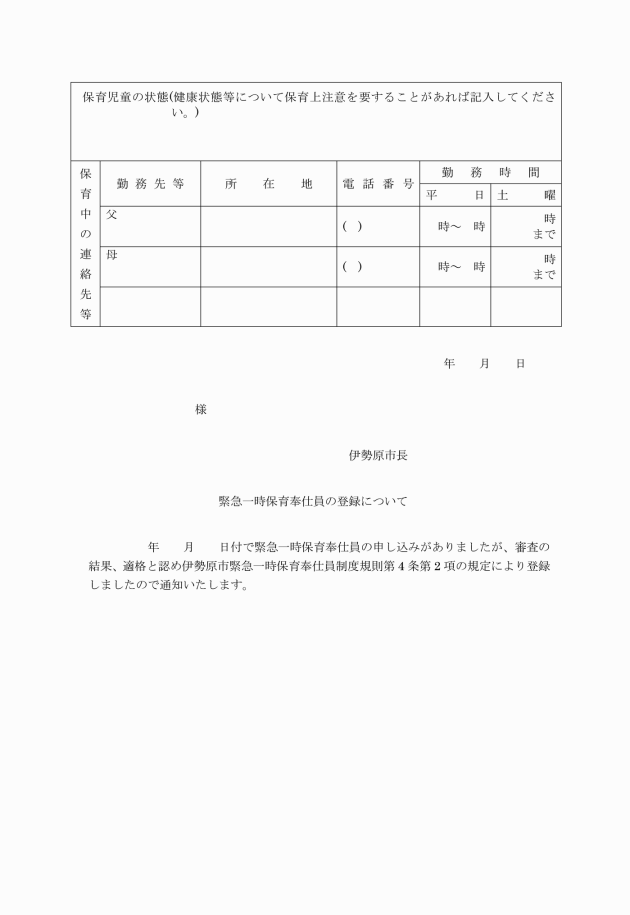
第4条 保育奉仕員を希望する者は、緊急一時保育奉仕員申込書(第1号様式)により市長に申し込まなければならない。
(委託要件)
第5条 保育奉仕員に委託することができる児童は市内に居住し、生後6週間以上小学校就学始期に達するまでの心身が健康、又は心身に障害があっても、奉仕員が保育できる程度の状態であり、かつ、当該保育奉仕員と3親等以内の親族関係にない児童で、次の各号に該当する児童であること。
(1) 保護者が死亡のため、緊急かつ一時的に保育に欠ける状態にある児童であること。
(2) 保護者が失踪、拘留、離別、入院、出産等のため緊急かつ一時的に保育に欠ける状態にある児童であること。
(3) 保護者と同居の者、又は保護者の親族が入院により当該保護者が看護に専念するため緊急かつ一時的に保育に欠ける状態にある児童であること。
(4) 市長が緊急かつ一時的に保育の必要があると認めた児童であること。
(平11規則17・一部改正)
(委託の申込及び決定)
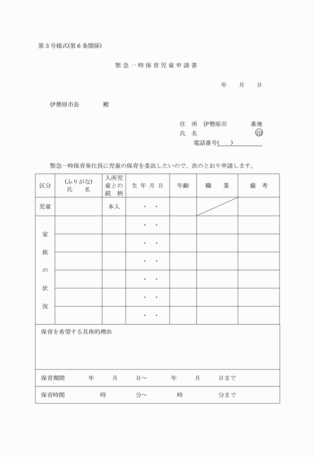
第6条 保育奉仕員に児童の保育を委託しようとする者は、緊急一時保育児童申請書(第3号様式)により市長へ申し込むものとする。
3 保育奉仕員は、正当な理由がなく委託を拒んではならない。
(定員)
第7条 保育奉仕員が、受託できる保育児童は2人以内とする。
(保育期間)
第8条 保育期間は原則として、第5条に定める委託要件が解消するまでとし、3箇月をもって限度とする。
2 前項の規定にかかわらず、市長がやむを得ない事由があると認めたときは、6箇月の範囲で保育期間を延長することができる。
(平11規則17・一部改正)
(保育委託解除の勧告)
第9条 市長は、保育委託期間内でも、委託要件が解消されたと判断したときは、直ちに保育を解除するよう勧告することができる。
2 市長は、保育奉仕員が前項の規定による勧告に従わなかったときは、委託料の支払いの停止又は保育奉仕員の解除をすることができる。
(保育日)
第10条 保育日は原則として、次に定める日を除く毎日とする。
(1) 日曜日
(2) 国民の祝日に関する法律(昭和23年法律第178号)に規定する休日、1月2日から同月4日まで、及び12月29日から同月31日までを除く毎日とする。
(平11規則17・一部改正)
(保育時間)
第11条 保育時間は、原則として午前8時から午後5時までとする。(基本保育時間)ただし、保護者と保育奉仕員との協議の上、延長することができる。
(平11規則17・一部改正)
(保育料)
第12条 児童を委託した保護者は、市長に基本保育料として日額4,000円を支払わなければならない。ただし、生活保護法による保護世帯、保護者が真にやむを得ない事情があるときは、基本保育料を徴収しないものとする。
2 食事(ミルク、間食を含む。)衣料、玩具、医療品、その他保育に必要なものは、保護者が負担するものとする。
3 第11条のただし書の規定により、保育時間を延長したときは、1時間を単位として、1時間につき200円を保育奉仕員に支払わなければならない。
(平11規則17・一部改正)
(委託料)
第13条 市長は、児童を受託した保育奉仕員に対し、児童1人につき、日額4,000円を支払うものとする。
(委託料の請求及び支払)
第14条 保育奉仕員は、別に定める様式により、児童の保育日数に応じた委託料を市長に請求するものとする。請求については委託要件が解消した後、速やかに請求するものとする。
2 市長は、前項の規定による請求をうけた場合は、実際に保育した日数に応じて委託料を算定し支払うものとする。
(平11規則17・一部改正)
(報告の義務)
第15条 保育奉仕員は、次に定める事由が生じた時は、速やかに市長へ報告しなければならない。
(1) 児童の保育を受託したとき又はその受託を解除したとき。
(2) 受託児童に事故又は感染症等が発生したとき。
(3) 保育奉仕員が病気等にかかったとき又は災害等の発生で保育室を確保することができなくなったとき。
(平11規則17・一部改正)
(保育奉仕員の辞退及び登録の取消し)
第16条 保育奉仕員は、児童を保育することができない事由が生じたときは、速やかに保育奉仕員を辞退する旨、(第4号様式)届け出なければならない。
2 市長は、保育奉仕員が第3条に定める資格要件のいずれかを具備しなくなったとき又は保育奉仕員として不適当な事由が生じたときは、その資格を取り消すことができる。
(平11規則17・一部改正)
(保育内容及び助言指導)
第17条 保育奉仕員は、受託児童に対し、適切な保育を行なわなければならない。
2 市長は、保育奉仕員に対し、保育内容について助言及び指導を行なうとともに、必要に応じて報告を求め、又は職員を派遣し実地調査をさせることができる。
(その他)
第18条 この規則に定めるもののほか、必要な事項は、別に定める。
附則
この規則は、昭和58年5月1日から施行する。
附則(平成元年1月9日規則第1号)
この規則は、公布の日から施行する。
附則(平成2年10月25日規則第17号)
この規則は、平成2年11月1日から施行する。
附則(平成11年3月31日規則第17号)
この規則は、平成11年4月1日から施行する。
附則(平成14年2月18日規則第1号)
この規則は、平成14年3月1日から施行する。
附則(平成16年2月2日規則第2号)
この規則は、平成16年4月1日から施行する。
(平元規則1・平11規則17・平14規則1・平16規則2・一部改正)



(平元規則1・平11規則17・平14規則1・平16規則2・一部改正)


(平元規則1・平2規則17・平11規則17・平16規則2・一部改正)





(平2規則17・一部改正)
